欢迎访问江苏龙鑫智能干燥科技有限公司官网!为您提供高效、节能、智能化干燥系统及前沿创新解决方案!
服务热线:0510-68287833
龙鑫智能 驱动未来

致力于承接大中型干燥工程项目

干燥设备设计、制造、销售、服务及工业热能研究的专业性系统服务商

当前位置:首页 > 工程案例 > 新材料行业 > 特种工程塑料干燥机

新材料行业 > 特种工程塑料干燥机

电子级聚苯醚PPO

所属分类:新材料行业 > 特种工程塑料干燥机

案例简介:电子级聚苯醚的生产工艺中,喷雾干燥与精制提纯是决定材料纯度、粒径分布、介电性能、加工性能的核心后处理环节,龙鑫智能以喷雾干燥与精制提纯三合一全链技术创新,为电子级聚苯醚材料的高质量生产提供了核心装备解决方案,不仅解决了行业长期存在的工艺瓶颈,更推动电子级聚苯醚、低聚PPO、高速材料PPO、低介电PPO等系列材料的生产向高纯度、高效率、规模化方向发展。

198 5011 0998
在线联系
   在AI算力需求爆发、5G/6G通信网络加速建设、高频高速电子硬件迭代升级的产业背景下,作为AI服务器、高频覆铜板、芯片封装基板等核心算力基材底层支撑的电子级聚苯醚(PPO),成为半导体与电子产业链自主可控发展的材料。电子级聚苯醚、低聚PPO、高速材料PPO、电子级改性聚苯醚树脂、低介电PPO、低分子量聚苯醚树脂等系列聚苯醚材料,更是凭借低介电、低损耗、高耐热、高稳定性的核心特性,成为高duan电子制造领域的“刚需基材”。
   龙鑫智能深耕高duan粉体处理与高分子材料后处理装备研发制造,以电子级聚苯醚喷雾干燥与精制提纯三合一全链技术创新,突破行业工艺瓶颈,为电子级聚苯醚材料的高质量、高纯度、规模化生产提供核心装备支撑,推动算力基材产业向自主可控、高效升级的方向迈进。

市场需求激增+国产替代提速,电子级聚苯醚迎来发展黄金期

   电子级聚苯醚作为连接上游化工材料与下游半导体、高性能电子制造的桥梁,其市场需求与产业发展趋势紧密贴合全qiu算力基础设施建设与我国电子产业链国产替代进程。
  (1) 从性能端来看
  电子级聚苯醚具备低介电常数、低介电损耗、低吸水率、高 热稳定性的核心特性,适配AI服务器主板、多层高频PCB、5G/6G射频基站板、芯片封装基板等高duan电子产品对高速高频信号传输、高耐热性、高尺寸稳定性的要求,弥补了环氧、酚醛等传统树脂材料在高duan算力基材应用中的性能短板。

  (2) 从市场需求端来看
   ① AI大模型训练、云计算中心扩张、5G商用深化及6G研发布局,推动高速PCB、高频覆铜板(CCL)市场持续扩容,带动电子级聚苯醚的需求爆发。
   ② 业内测算,仅AI服务器升级带来的树脂用量增加,就使电子级聚苯醚的市场需求从过去数年的数千吨级实现量级跃升。
   ③ 同时,电子级聚苯醚的应用场景正不断拓展,从传统的电子电气领域延伸至卫星通信、射频模块、高性能计算等高duan领域,低分子量聚苯醚树脂、电子级改性聚苯醚树脂(MPPO)、高频高速覆铜板用电子级PPO等细分品类的需求增速尤为明显。

  (3) 从产业发展趋势来看
   ① 电子级聚苯醚的国产化替代进程进入加速阶段。
   ② 此前,全qiu电子级聚苯醚市场长期被欧美、日韩企业垄断,国内供给高度依赖进口,材料价格一度高达1000元/公斤,成为制约国内算力基材产业发展的瓶颈。
   ③ 近年来,国内企业通过上下游联合攻关实现电子级聚苯醚“从0到1”的国产化突破,国产化率从2020年的约35%提升至2025年的约70%。
   ④ 国产替代的提速不仅大幅降低了产业链成本,更推动电子级聚苯醚产业向“自主可控+批量供给”转型,而下游市场对高纯度、低分子量、定制化聚苯醚材料的需求,也倒逼行业在生产工艺与后处理装备上实现技术创新。
   ⑤ 整体而言,电子级聚苯醚产业正迎来“需求激增+国产替代+技术升级”三重红利,高纯度低分子量聚苯醚、高频高速专用电子级PPO等高duan品类的市场空间将持续扩大,而材料生产的后处理工艺与装备水平,成为决定企业核心竞争力的因素。

电子级聚苯醚喷雾干燥与精制提纯工艺:核心环节的行业瓶颈亟待突破

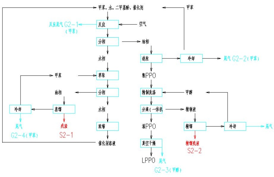
   电子级聚苯醚的生产工艺中,喷雾干燥与精制提纯是决定材料纯度、粒径分布、介电性能、加工性能的核心后处理环节,尤其是低分子量聚苯醚树脂、电子级低聚PPO等细分品类,对干燥与提纯工艺的精度、稳定性要求更高。但目前行业内的传统工艺仍存在诸多技术瓶颈,成为制约电子级聚苯醚材料高质量生产的问题。
  (1) 在喷雾干燥环节,低分子量聚苯醚树脂的生产需以甲苯等有机溶液为介质,传统干燥工艺采用开放式离心喷雾干燥,存在三大核心问题:
   ① 安全性低,甲苯等有机溶媒具有挥发性、易燃性,开放式干燥过程中易发生溶剂泄漏、粉尘爆炸等安全隐患,且烘干甲苯溶剂的工序本身存在较高操作风险;
   ② 产品收率低,传统喷雾干燥设备存在粉体外泄问题,难以实现物料的高效回收,同时易出现颗粒粒径分布不均的情况,影响材料后续的浸渍性与加工性;
   ③ 溶剂浪费严重,传统工艺无法实现有机溶媒的有效回收与循环利用,不仅增加了生产成本,还造成了环境压力。
   ④ 此外,低分子量聚苯醚树脂易氧化,传统干燥工艺无法有效隔绝空气,易导致材料性能劣化,影响蕞终产品的介电特性与热稳定性。

  (2) 在精制提纯环节,聚苯醚析出后进入干燥机前的过滤洗涤工序,存在严格的工艺要求:
   ① 需将滤饼中的总挥发份降至60%以下、良溶剂(如甲苯)降至10%以下,否则会造成干燥过程中物料粘附干燥机内壁,降低干燥效率甚至损坏设备。
   ② 需将小于100μm的细颗粒控制在15%之内,过多细粉会增加下游加工的粉尘污染与爆炸风险。
   ③ 而传统精制提纯工艺采用“固液分离-分散清洗-二次固液分离-干燥”的分步式操作,至少需要2-3次过滤、1-2次清洗与干燥,存在设备投入大、处理时间长、生产效率低的问题。
   ④ 更关键的是,传统工艺为降低良溶剂含量,往往需要增加清洗次数、延长搅拌时间、提高搅拌强度,这会导致聚苯醚颗粒破碎率升高,细粉占比超标,形成“降低溶剂浓度”与“减少颗粒破碎”的行业性矛盾。
   ⑤ 同时,分步式工艺需要多次转移物料,易出现管路堵塞问题,延长生产周期,且难以保证产品纯度的稳定性,影响电子级聚苯醚材料的一致性与高duan应用适配性。
   喷雾干燥与精制提纯环节的工艺瓶颈,不只限制了电子级聚苯醚的生产效率与产品质量,也难以满足行业对高纯度、低分子量、定制化聚苯醚材料的规模化生产需求,亟待专业装备企业通过技术创新提供一体化解决方案。

后处理装备全链创新,龙鑫智能驱动算力基材高质量发展

   针对电子级聚苯醚喷雾干燥与精制提纯的工艺痛点,龙鑫智能立足高分子材料后处理装备的研发与制造经验,打造“喷雾干燥+精制提纯”一体化后处理装备体系,以闭路循环喷雾干燥机解决低分子量聚苯醚树脂粉末干燥的核心问题,以过滤洗涤干燥机实现电子级PPO从“工程塑料”到“算力基材”的品质升级,通过装备创新为电子级聚苯醚材料的高质量生产提供核心支撑,推动算力基材产业的工艺升级与效率提升。

  (1) 低分子量聚苯醚树脂粉末干燥:闭路循环喷雾干燥机实现安全、高效、节能干燥
   低分子量聚苯醚树脂是高频高速覆铜板、AI服务器主板的核心基材,其干燥工艺的安全性、收率与溶剂回收效率,决定材料的生产成本与性能稳定性。龙鑫智能研发的低分子量聚苯醚树脂粉末闭路循环喷雾干燥机,专为含有机溶媒、易氧化、易爆炸的高分子材料干燥设计,适配低分子量聚苯醚树脂、电子级低聚PPO等材料的干燥需求,从根本上解决了传统干燥工艺的安全隐患与效率问题。

  (2) 电子级PPO精制提纯:过滤洗涤干燥机推动材料从“工程塑料”升级为“算力基材”
   电子级聚苯醚从普通工程塑料向高duan算力基材的升级,核心在于实现更高的纯度、更优的颗粒分布与更稳定的性能。龙鑫智能研发的电子级聚苯醚精制提纯过滤洗涤干燥机,整合“过滤-洗涤-干燥”三大核心工序,突破传统分步式工艺的瓶颈,实现电子级PPO精制提纯的一体化、高效化、高精度化,推动材料品质向算力基材的高duan应用要求迈进。

核心装备技术优势凸显,龙鑫智能打造电子级聚苯醚后处理核心竞争力

   龙鑫智能研发的低分子量聚苯醚树脂粉末闭路循环喷雾干燥机与电子级聚苯醚精制提纯过滤洗涤干燥机,凭借针对性的技术设计与创新,形成了贴合行业需求的核心技术优势,成为电子级聚苯醚材料企业实现高质量生产的装备支撑。

  (1) 低分子量聚苯醚树脂粉末闭路循环喷雾干燥机:安全、高效、环保、稳定的四重优势

   ① 防爆密封设计,从根源保障生产安全:
   设备采用全密闭式结构,以氮气作为循环载体,隔绝空气与有机溶媒的接触,从根源上避免了甲苯等溶媒的挥发泄漏与粉尘爆炸风险。同时,系统工艺设计为防爆型,在主体与关键部位设置泄爆片,针对可挥发有毒有害气体的系统进行专项优化,全面适配低分子量聚苯醚树脂干燥的安全要求。
   ② 成品收率近乎1O-O,保证颗粒性能稳定:
   全密闭式设计实现无粉体外泄,解决了传统干燥设备的物料浪费问题,成品收率达到行业前沿水平。同时,设备优化了雾化与干燥参数,有效控制颗粒粒径分布,避免出现过大或过小颗粒,保证低分子量聚苯醚树脂的浸渍性与加工性能,为后续与环氧树脂的共混改性提供稳定基础。
   ③ 溶剂循环利用,大幅降低生产成本:
   设备配备专用的冷凝系统与溶剂回收系统,干燥过程中挥发的有机溶媒经冷凝回收后可通过二次处理实现循环使用,不仅减少了溶媒采购成本,还降低了有机废弃物的排放,实现生产过程的节能与环保。
   ④ 运行可靠性高,适配规模化生产:
   系统内置清洗塔并采用雾化清洗装置,有效防止物料粘附设备内壁,保证设备长期稳定运行,减少停机维护时间。同时,设备可根据生产需求调整干燥参数,适配不同批次、不同规格的低分子量聚苯醚树脂干燥需求,满足企业规模化生产的要求。
   ⑤ 防氧化设计,保障材料核心性能:
   针对低分子量聚苯醚树脂易氧化的特性,设备采用惰性气体保护干燥工艺,全程隔绝氧气,避免材料氧化劣化,保证产品的低介电、低损耗、高耐热等核心性能,适配高duan算力基材的应用要求。

  (2) 电子级聚苯醚精制提纯过滤洗涤干燥机:一体化、高精度、高效率、低损耗的四大优势

   ① 工序一体化整合,大幅提升生产效率:
   ● 设备将传统工艺中的过滤、洗涤、干燥三道核心工序整合于一体,无需进行物料的二次转移,解决了分步式工艺中管路堵塞、生产周期长的问题。
   ● 整个生产过程连续化进行,分散清洗时间大幅缩短,生产效率较传统工艺提升明显,适配企业规模化生产需求。
   ② 精准控制工艺参数,破解行业性矛盾:
   ● 设备采用加压过滤方式,将聚苯醚滤饼厚度精准控制,通过薄滤饼过滤实现高效固液分离,避免低沸点溶剂沸腾;
   ● 清洗环节采用喷淋清洗,通过精准控制清洗液用量、温度与压力,实现良溶剂的高效去除,将滤饼中甲苯等良溶剂含量下降、总挥发份下降;
   ● 同时,设备采用变角度变导程螺旋搅拌装置,在清洗过程中避免过度搅拌造成的颗粒破碎,将小于100μm的细颗粒控制,成功破解传统工艺“降溶剂浓度”与“减颗粒破碎”的矛盾。
   ③ 提升产品纯度与稳定性,适配高duan应用:
   ● 设备采用多层孔板及专用过滤介质,实现高精度固液分离,有效去除物料中的杂质,提升电子级聚苯醚的产品纯度。
   ● 同时,一体化工艺避免了物料转移过程中的二次污染,保证产品纯度与性能的一致性,使电子级PPO、改性聚苯醚MPPO等材料的介电性能、热稳定性更优,适配AI服务器、高频高速覆铜板等高duan算力基材的应用要求。
   ④ 节能降耗,实现绿色生产:
   ● 设备实现溶剂、催化剂的循环利用,减少资源浪费;
   ● 同时,预干燥环节可采用惰性气体吹扫干燥,精准控制干燥温度,实现节能降耗;
   ● 整个生产过程无多余废弃物排放,符合绿色制造的产业发展趋势,降低企业的环保成本。

全链创新赋能产业升级,龙鑫智能助力算力基材自主可控

   在电子级聚苯醚产业迎来国产替代与技术升级的阶段,龙鑫智能以喷雾干燥与精制提纯三合一全链技术创新,为电子级聚苯醚材料的高质量生产提供了核心装备解决方案,不仅解决了行业长期存在的工艺瓶颈,更推动电子级聚苯醚、低聚PPO、高速材料PPO、低介电PPO等系列材料的生产向高纯度、高效率、规模化方向发展。
  (1) 帮助电子级聚苯醚生产企业降低生产成本、提升产品质量与生产效率,增强国内企业在全qiu市场的核心竞争力;
  (2) 通过推动高纯度、低分子量、高频高速专用电子级PPO的规模化生产,为AI服务器、5G/6G通信设备、芯片封装等算力基础设施的建设提供稳定、优良的底层材料支撑,助力我国半导体与电子产业链的自主可控发展。

   未来,龙鑫智能将继续深耕高duan高分子材料后处理装备的研发与创新,紧跟AI算力、高频通信、半导体封装等领域的产业发展需求,持续优化电子级聚苯醚喷雾干燥与精制提纯技术,开发更多适配高duan聚苯醚材料的定制化装备解决方案,与上下游企业携手构建算力基材产业的创新生态,以装备创新驱动电子级聚苯醚产业高质量发展,为我国数字经济与高duan制造的发展筑牢底层材料根基。


视频集锦
    暂无相关视频...
应用客户

下一篇:没有了

在线咨询
相关资讯
鑫所向 智非凡 | 醉美人间四月天 不负春光与时行

四月,无边春光在表达一种崭新,一种成长,一种生机盎然。在这醉美的人间四月天,龙鑫干燥全体同仁以春意盎然的脚步轻快出发,享受…

MQ硅树脂烘干难题的终结者:闭路循环喷雾干燥机解锁有机硅树脂智能…

在有机硅材料性能提升的技术路径中,MQ硅树脂凭借其独特的分子结构已成为产品性能升级的核心助力,而干燥工艺的技术瓶颈始终制约着…

高球形度合金粉末纳米研磨喷雾干燥产线:探索3D打印金属增材规模化…

高球形度合金粉末的制备,是连接材料科学与先进制造技术的关键桥梁。龙鑫智能纳米研磨喷雾干燥产线,以液相均质化与精密雾化为技术…

国家高新技术企业
专精特新小巨人企业
国家特种超细粉体工程技术研究中心
微纳米材料制备工程化与产业化实验基地
新能源领域智能干燥装备工程技术研究中心
ISO90001:2015国家质量管理体系标准
X

截屏,识别二维码

官网:龙鑫干燥

(点击复制龙鑫干燥官网简称)

二维码已复制,请打开手机浏览器访问!
X

截屏,识别二维码

微信公众号二维码:龙鑫干燥

(点击复制龙鑫干燥官网简称)

二维码已复制,请打开手机浏览器访问!
X

截屏,识别二维码

抖音企业号二维码:龙鑫干燥

(点击复制龙鑫干燥官网简称)

二维码已复制,请打开手机浏览器访问!
X

截屏,识别二维码

抖音喷雾产品号二维码:龙鑫干燥

(点击复制龙鑫干燥官网简称)

二维码已复制,请打开手机浏览器访问!
Top
Copyright 2019-2023 江苏龙鑫智能干燥科技有限公司 苏ICP备19018060号-1 版权声明 技术支持:江苏东网科技
Copyright 2019-2023 龙鑫干燥 版权声明